
cadett ELSA Enterprise är produkten för anläggningsägare och decentraliserade organisationer med verksamhet på flera orter. Effektiva lösningar för arbete hemifrån ingår också.
cadett ELSA Enterprise är produkten för de riktigt stora projekten, som dokumentation av hela anläggningar. Flera samtidiga användare, många sammankopplade projekt, konstruktörer på flera orter, och ibland arbete hemifrån. Där kommer funktionaliteten i cadett ELSA Enterprise till sin fulla rätt. Produkten är helt kompatibel med övriga cadett ELSA-produkter. Skillnaderna mellan de olika cadett ELSA-produkterna beskrivs i jämförelselistan nedan.
Finns även som singel version speciellt för konsulter som jobbar emot våra kunder som har cadett ELSA Enterprise.

Ett superprojekt är ett stort projekt som består av många sammankopplade delprojekt med referenser och förbindningar däremellan. Rapporter kan skapas för hela superprojektet. Centrala databaser hanterar bland annat alla PLC I/O och ger möjlighet att definiera både anläggningsstruktur och objekt i förväg.

Stöd för effektivt och snabbt arbete över långsamma nätverk som via VPN får du med WAN-mod eller tunna klienter. Har du ingen nätverksuppkoppling alls kan du använda Travel-funktionerna.

Editera de automatiskt genererade tabellerna direkt på skärmen eller i Excel. Hela projektet uppdateras automatiskt, effektivt och dynamiskt.

Hanterar projekten i valfritt antal revisioner och spårar alla ändringar helt automatiskt.

Kontrollerar att alla dokument stämmer med varandra och hjälper till att rätta det som avviker.

Möjliggör flera varianter i samma projekt. Delar av ett projekt spridda på flera blad kan aktiveras eller avaktiveras efter behov.

Avancerad blockschemahantering med konfigurerbart regelverk perfekt för stora anläggningsleverantörer. Baserad på MS SQL.

Med den inbyggda artikelportalen från CADENAS kan du hämta in hundratusentals artiklar direkt i cadett ELSA.

Generering av PDF-filer i bakgrunden för många projekt samtidigt.

Flera användare kan arbeta i samma projekt samtidigt.

Fullständigt symbolbibliotek för alla styrsystem med I/O-symboler och PLC-speglar. Automatisk överföring av data däremellan ger alla fördelar med både funktions- och placeringsorienterad dokumentation samtidigt. Koppling till Excel. Automatisk revisionslogg så att du kan ta fram gammal I/O-information när du vill, även om du skulle ha ändrat eller raderat den.
Tabellen nedan visar skillnaderna mellan de olika cadett ELSA-produkterna, vilka funktioner som finns i vilken produkt.
1) Ändringarna i tabellen överförs OnLine till kretsschemat.
För att ge en bra upplevelse använder vi teknik som cookies för att lagra och/eller komma åt enhetsinformation. När du samtycker till dessa tekniker kan vi behandla data som surfbeteende eller unika ID:n på denna webbplats. Om du inte samtycker eller om du återkallar ditt samtycke kan detta påverka vissa funktioner negativt.

Med cadett ELSA Enterprise kan du hantera enorma projekt, genom att koppla samman flera projekt med varandra. Det går utmärkt att ha referenser mellan ritningsblad i olika delprojekt som ingår i ett sådant superprojekt.
Med anläggningsdatabasen i cadett ELSA Enterprise kan du definiera apparater i förväg, innan du ens börjat rita någonting, och sedan använda detta som plocklista för kretsschema eller skåplayout.

cadett ELSA Enterprise har kraftfull funktionalitet för arbete på distans, exempelvis i organisationer som är spridda på flera orter, eller vid arbete hemifrån.

Vi kallar den för Dynamic OnLine. Den ger direkt åtkomst till apparatlistor, förbindningstabeller, plinttabeller och kabeltabeller. Du kan redigera innehållet direkt på skärmen. Kretsschemablad och andra dokument i projektet uppdateras blixtsnabbt med dina ändringar, helt automatiskt.





Om du vill, kan du börja ditt konstruktionsarbete med skåplayouten. När det är dags för kretsschemat så får du då automatiskt en plocklista med allt som skall sättas in i kretsschemat. Eller så gör du tvärtom. Du kan börja med kretsschemat och från det få en plocklista för skåplayouten. Ett tredje alternativ är att arbeta parallellt. Du har en fullständig frihet att göra som du vill med en automatisk konsistenskontroll som jämför de olika dokumenttyperna med varandra och både ger dig besked om vad som avviker, och hjälper dig att komplettera med det som saknas.
Det finns funktioner för att omvandla en skåplayout i 2D till 3D, vilket ger möjlighet till en enkel kollisionskontroll. Finns det plats för allting, i alla riktningar? De fysiska storlekarna i alla tre dimensioner finns tillgängliga i cadett ELSA:s artikeldatabas.
Förbindningshanteringen tar hänsyn till hur apparaterna är placerade i skåplayouten för att optimera kopplingsordningen, så att trådarna dras den kortaste vägen.
Förbindningstabellen kan enkelt exporteras, exempelvis till Autodesk Inventor, Solid Edge, Solidworks eller andra 3D-CAD-system.

Ett samarbetsavtal mellan cadett och CADENAS ger alla användare av cadett ELSA tillgång till en inbyggd portal med hundratusentals artiklar. Med den går det enkelt att söka reda på rätt artikel för att sedan hämta hem metadata och symboler, både för layout i 2D och 3D, och kretsschema. Allt baseras på eClass-standarden som i sin tur bygger på ISO3584 och IEC1360.
Läs mer om eClass under FAQ.

Optionshanteraren i cadett ELSA ger dig möjlighet att definiera valfritt antal optioner som omfattar flera blad och som antingen är aktiva eller inte. Detta ger stora möjligheter till effektivisering redan från start.
Vill du bygga vidare på detta, kanske med ett regelverk och möjlighet till styrning utifrån, exempelvis med en konfigurator? Vi hjälper dig att sätta upp en lösning som är optimerad för just dina behov.


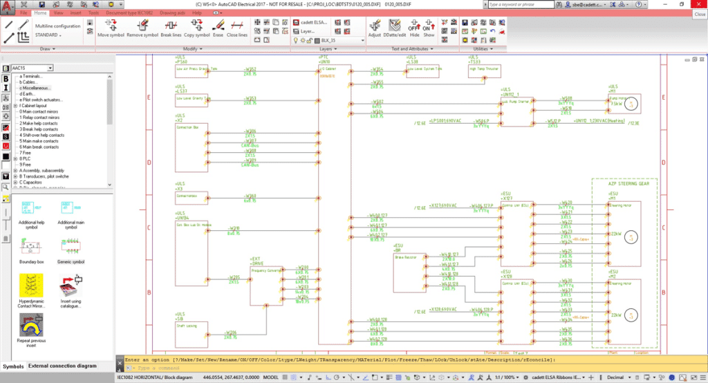
Blockschemamodulen i cadett ELSA Enterprise innehåller funktioner med avancerade regelverk för artikelstrukturer med exempelvis skåp som kombineras till en hel anläggning. Blockschemat kan innehålla information om alla kablar, parter och anslutningsmöjligheter.
En automatisk kontroll ser till att inga dubbelbeläggningar eller omöjliga kopplingar förekommer.
Allt knyts ihop med hjälp av MS SQL.


SilentPDF skapar PDF-filer för många projekt samtidigt. Den arbetar i bakgrunden, samtidigt som du gör någonting annat.


Har du behov av att koppla samman cadett ELSA med ditt PDM-system? Kanske vill du ha en automatisk överföring av artikelinformation från PDM-systemet till cadett ELSA för användning i elschemaprojekten? Kanske vill du kunna skicka de färdiga stycklistorna direkt till MPS-systemet?
Vi tar fram de kopplingar som behövs för att automatisera överföringarna så att du kan dra full nytta av både cadett ELSA och PDM-systemet!
Om du saknar användarnamn och lösenord, eller om du har glömt ditt lösenord, gå in under ”Support” och välj ”Lösenordsbegäran”.
Boka en gratis demonstration av cadett ELSA genom att fylla i dina uppgifter här: